مصنوعات
انڈور ہائی وولٹیج منقطع سوئچ
  • انڈور ہائی وولٹیج منقطع سوئچانڈور ہائی وولٹیج منقطع سوئچ
  • انڈور ہائی وولٹیج منقطع سوئچانڈور ہائی وولٹیج منقطع سوئچ

انڈور ہائی وولٹیج منقطع سوئچ

Model:GN19-12
انکیانگ پاور انڈور ہائی وولٹیج منقطع سوئچ کا ایک چائنا مینوفیکچرر ہے۔ یہ ہائی وولٹیج منقطع سوئچ ایک اندرونی قسم ہے، جو بنیادی طور پر 12KV کی درجہ بندی شدہ وولٹیج اور 50Hz یا اس سے کم کی AC فریکوئنسی والے پاور سسٹمز میں استعمال ہوتا ہے، کرنٹ کو وولٹیج کے نیچے لیکن بوجھ کے بغیر سوئچ کرنے کے لیے۔

انکیانگ پاور کا انڈور ہائی وولٹیج منقطع سوئچ ایک تین قطبی قسم کا ہے، جس میں بیس فریم، گھومنے والی شافٹ، کنیکٹنگ راڈ، چینی مٹی کے برتن کے پوسٹ انسولیٹر، سوئچ بلیڈ اور ٹرمینل بلاکس شامل ہیں۔ گھومنے والی شافٹ کو بیس فریم پر نصب کیا جاتا ہے، جس میں لیورز کے تین جوڑے سب سے اوپر ویلڈیڈ ہوتے ہیں۔ یہ لیور کنیکٹنگ راڈز اور چینی مٹی کے برتن کے انسولیٹر کے ذریعے سوئچ بلیڈ سے جڑے ہوئے ہیں۔ گھومنے والی شافٹ بیس فریم سے پھیلی ہوئی ہے، اور اس کے کسی بھی حصے کو آپریٹنگ میکانزم سے منسلک کیا جا سکتا ہے۔ GN19-12W ایک آلودگی مزاحم قسم ہے۔ GN19-12G ایک اونچائی کی قسم ہے۔ GN19-12X میں بلٹ ان لائیو وولٹیج انڈیکیٹر شامل ہے۔ اور GN19-12ST ایک ڈبل تھرو ٹائپ ڈس کنیکٹ سوئچ ہے۔

مصنوعات کی تصاویر

Indoor High Voltage Disconnect Switch

تکنیکی پیرامیٹرز

ماڈل اور وضاحتیں

شرح شدہ وولٹیج

شرح شدہ کرنٹ

ریٹیڈ شارٹ ٹائم کرنٹ کا سامنا

شرح شدہ چوٹی کرنٹ کو برداشت کرتی ہے۔

GN19-12/400-12.5

12kV

400A

12.5kV

31.5kA

GN19-12/630-20

12kV

630A

20kV

50kA

GN19-12/1000-31.5

12kV

1000A

31.5kV

80kA

GN19-12/1250-31.5

12kV

1250A

31.5kV

80kA

GN19-12C/400-12.5

12kV

400A

12.5kV

31.5kA

GN19-12C/630-20

12kV

630A

20kV

50kA

GN19-12C/1000-31.5

12kV

1000A

31.5kV

80kA

GN19-12C/1250-31.5

12kV

1250A

31.5kV

80kA

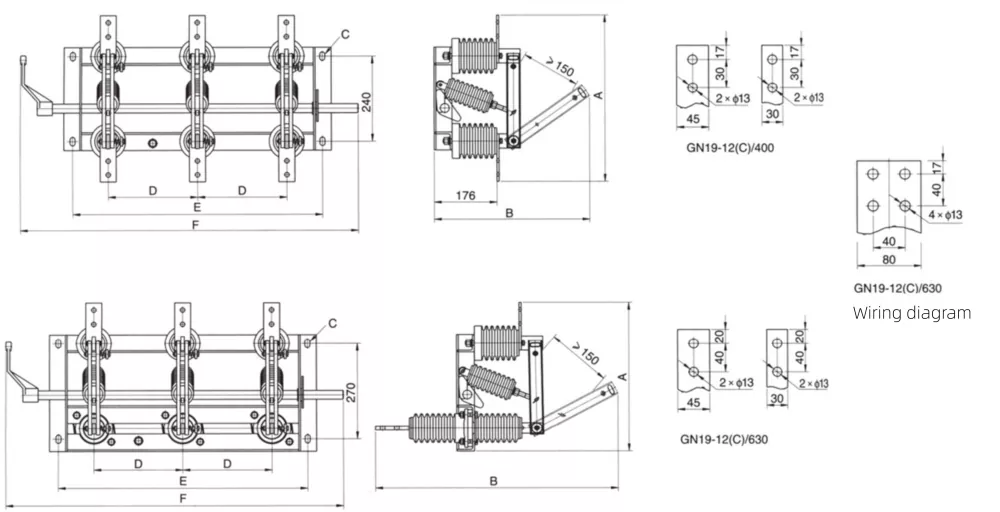
پروڈکٹ کے طول و عرض کا خاکہ

Indoor High Voltage Disconnect Switch

ماڈل اور وضاحتیں

A

B

C

D

GN19-12/400

450

446

185

4-14*24

GN19-12/630

470

446

185

4-14*24

GN19-12/1000/1250

510

500

196

4-18*28

GN19-12C/400

420

690

185

4-14*24

GN19-12C/630

430

690

185

4-14*24

GN19-12C/1000/1250

470

745

196

4-18*28


ہاٹ ٹیگز: انڈور ہائی وولٹیج منقطع سوئچ سپلائر، انڈور منقطع سوئچ فیکٹری، اپنی مرضی کے مطابق الیکٹریکل سوئچ بنانے والا
انکوائری بھیجیں۔
رابطہ کی معلومات
  • پتہ

    جنلو انڈسٹریل زون، بیبائیشیانگ ٹاؤن، یوقنگ سٹی، وینزو سٹی، ژیجیانگ صوبہ، چین

  • ٹیلی فون

  • ای میل

    john@chaqele.com

سرکٹ بریکر، لوڈ سوئچ، منقطع سوئچ یا قیمت کی فہرست کے بارے میں پوچھ گچھ کے لیے، براہ کرم ہمیں اپنا ای میل بھیجیں اور ہم 24 گھنٹوں کے اندر رابطہ کریں گے۔
X
ہم آپ کو براؤزنگ کا بہتر تجربہ پیش کرنے ، سائٹ ٹریفک کا تجزیہ کرنے اور مواد کو ذاتی نوعیت دینے کے لئے کوکیز کا استعمال کرتے ہیں۔ اس سائٹ کا استعمال کرکے ، آپ کوکیز کے ہمارے استعمال سے اتفاق کرتے ہیں۔ رازداری کی پالیسی
مسترد قبول کریں